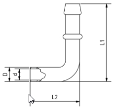
Slangestuss 90° pressunion 8 mm. Slangestuss med 90° bend pressunion til 8 mm. drivstoffslanger. NOK127,50 inkl. mva. På lager: 10 stk. Antall Kjøp Ønskeliste Del dette Produktinfo Laget i sinkgalvanisert stål.Mål (mm): D = 8 d = 6 L1 = 50 L2 = 32