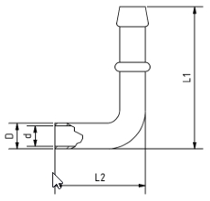
Slangestuss 90° pressunion 12 mm. Slangestuss med 90° bend pressunion til 12 mm. drivstoffslanger. NOK172,50 inkl. mva. På lager: 10 stk. Antall Kjøp Ønskeliste Del dette Produktinfo Laget i sinkgalvanisert stål.Mål (mm): D = 12 d = 10 L1 = 67 L2 = 50